
電話:0512-53222999 53228868
傳真:0512-53222398
手機:13809058266 13616223625
E-mail:1011355650@qq.com
網址:www.www.sooyeah.cn
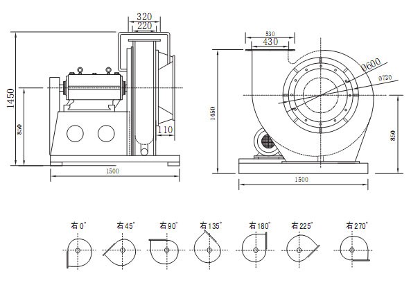
PP9-19高壓離心風機
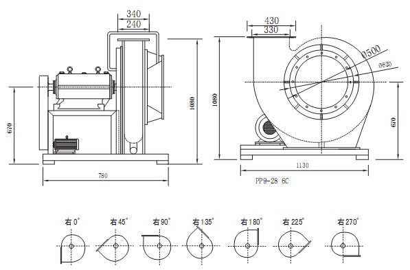
PP9-28高壓離心風機
產品詳細說明:


PP離心通風機系列,是目前工業生產中理想的耐腐通風設備,產品具有強度高、耐腐性強、運轉平穩、噪聲低等優良性能。經過本公司技術人員多年來對產品的精心設計、不斷改進,產品性能質量日益完善,已廣泛替代其它耐腐材料的風機。本公司生產的風機型號有PP4-72普通型和PP9-28、PP9-19高壓型三種。
PP9-28高壓耐腐風機是本公司經過多年研究開發的新一代機型.具有無泄漏.強度高.運轉平穩.耗能低.輸送量大.壓力高.耐腐性強等特殊性能.適用于化工化肥行業中的強腐蝕性氣體的高壓輸送.產品已被各專業設計院廣泛推薦.應用于硫基N.P.K復合肥工程的尾氣輸送工段.取得了用戶的一致好評.因此本設備是化工.化肥行業中理想的氣體輸送設備。
PP9-28高壓型防腐離心風機系列規格表
|
機號 |
轉速 |
機號 |
全壓 |
流量 |
軸功率 |
所需功率 |
電動機 |
|
|
型號 |
功率KW |
|||||||
|
6C |
1800 |
1 |
3362 |
4605 |
5.43 |
6.42 |
132S-2 Y160M |
7.5 11 |
|
2 |
3337 |
5047 |
5.84 |
6.71 |
||||
|
3 |
3272 |
5485 |
6.24 |
7.18 |
||||
|
4 |
3192 |
5928 |
6.67 |
7.67 |
||||
|
5 |
3096 |
6371 |
7.12 |
8.19 |
||||
|
6 |
2998 |
6809 |
7.67 |
8.76 |
||||
|
7 |
2886 |
7252 |
8.12 |
9.34 |
||||
注:YB系列電機為防爆電機。C型系列均帶密封裝置。
PP9-28 8/9.2C型高壓密封式離心風機規格表
|
機號 |
轉速 |
機號 |
全壓 |
流量 |
軸功率 |
所需功率 |
電動機 |
|
|
型號 |
功率KW |
|||||||
|
9.2C |
1400 |
1 |
3951 |
4129 |
8.22 |
9.038 |
Y180L-4 |
22 |
|
2 |
4446 |
7783 |
12.303 |
14.703 |
||||
|
3 |
4758 |
9826 |
14.7056 |
18.289 |
||||
|
4 |
4897 |
12109 |
17.6904 |
26.67 |
Y200L-4 |
30 |
||